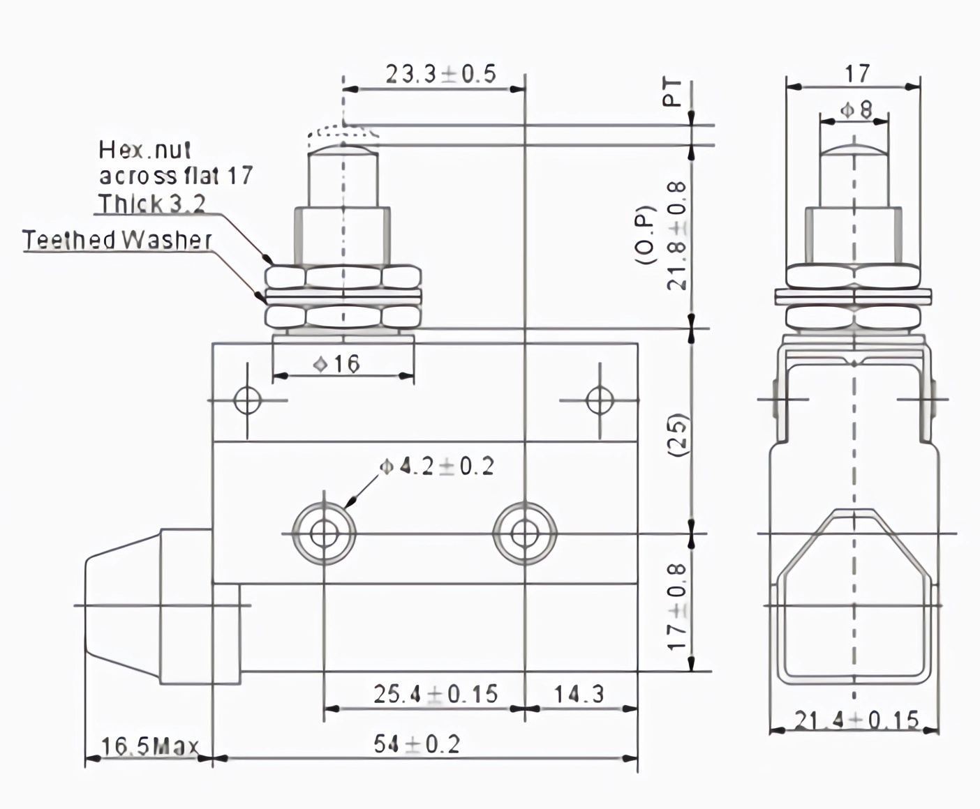
短推壓塞柱型AZ7310L
- ●:引動器種類多,且有動作位置可調整之設計
- ●:外殼包覆強化塑膠、防水、防油
- ●:型微動開關有更高的機械強度,耐沖擊
- ●:前移機有多種分類,動作位置可調
- ●:外殼覆蓋塑料,防水耐油,承受打擊
引動器種類多,且有動作位置可調整之設計。外殼包覆強化塑膠、防水、防油。型微動開關有更高的機械強度,耐沖擊。前移機有多種分類,動作位置可調。外殼覆蓋塑料,防水耐油,承受打擊。

額定值
| 電壓額定電壓 | 非電感性負載 非電氣攜帶 | 電感性負載(A) | ||||||
| 電阻性負載 阻力槳 | 燈泡負載 燈泡攜帶 | 電感性負載 電氣 攜帶 | 馬達負載 電機攜帶 | |||||
| 數控 | 不 | 數控 | 不 | 數控 | 不 | 數控 | 不 | |
| 125伏交流 250交流 480伏交流 | 10 10 3 | 3 2.5 1.5 | 1.5 1.25 0.75 | 10 10 2.5 | 5 3 1.5 | 2.5 1.5 0.75 | ||
| 8V 直流 14V 直流 30V 直流 125V 直流 250V 直流 | 10 6 8 0.5 0.25 | 3 3 3 0.4 0.2 | 1.5 1.5 1.5 0.4 0.2 | 6 6 6 0.05 0.03 | 6 6 5 0.05 0.03 | 5 5 2.5 0.05 0.03 | ||
注:
1、電感性負載:功率因素=0.4,時間常數=7毫秒。
2、燈泡負載之突入電流為穩定狀態之10倍。馬達負載之突入電流為穩定狀態電流之6倍。
備注:
1.電氣承載:功率因數=0.4.時間常數= 7毫秒.
2.燈泡承載電流是穩定狀態下的10倍。電機承載電流是穩定狀態下的6倍。
特性 特點
| 操作速度運行速度 | 0.01毫米至50厘米/秒(鎖住塞型) , 0.01毫米至50厘米/秒 |
| 動作頻率動作頻率 | 120次/分 , 120次/分鐘 |
| 接點電阻接觸電阻 | 15MΩ以下(初期) , 低于15mΩ(初始) |
| 絕緣電阻絕緣電阻 | 100MΩ以上(在500VDC以下) , 100mΩ 以上 (500VDC 以下) |
| 耐電壓軸承電壓 | 非連續端子間1,000VAC,50/60Hz持續1分鐘載電流與無載電流零件間與端子和接地之間1,500VAC,50/60Hz持續1分鐘非接觸端:1,000VAC,50/60Hz持續一分鐘 當前零件和非當前零件以及末端和連接位置:1,500VAC,50/60Hz持續一分鐘 |
| 振動 振動 | 誤動作耐久:10至55Hz,1.5mm雙振幅 動作:10至55Hz,1.5mm對擺動 |
| 沖擊 擊打 | 機械耐久:1,000m/sec2(約100G,S) 誤動作耐久:300m/Sec2(約30G,S)機器:1,000m/Sec2(約100G 動作:300m/sec2(約30G ,S) |
| 周圍溫度 環境溫度 | 使用時:-10 至 +80°C |
| 濕度濕度 | 95%相對濕度以上 , 95%相對濕度以上 |
| 使用壽命使用壽命 | 機械:10,000,000次以上(在額定OT值下) 電氣:500,000次以上機械:10,000,000次以上(額定OT) 電氣:500,000次以上 |
| 重量重量 | 約60g , 約60g |
| 防護等級 保護結構 | IEC 規格:IP65 ,IEC 規范:IP65 |
動作特性
| 型號型號 | AZX7100L | AZX7110L | AZX7310L | AZX7311L | AZX7312L | AZX7120L | AZX7140L | AZX7121L | AZX7141L | AZX7124L | AZX7144L | AZX7166L |
| 最大(最大) | 600克 | 600克 | 600克 | 600克 | 600克 | 150克 | 220克 | 180克 | 240克 | 200克 | 280克 | 120克 |
| 射頻最小(最小) | 100克 | 100克 | 100克 | 100克 | 100克 | 40克 | 60克 | 50克 | 80克 | 60克 | 100克 | |
| PT 最大(最大) | 2.0毫米 | 2.0毫米 | 2.0毫米 | 2.0毫米 | 2.0毫米 | 13.5毫米 | 8.5毫米 | 11毫米 | 6.5毫米 | 11毫米 | 6.5毫米 | 250毫米 |
| OT 最小(最?。?/td> | 0.8毫米 | 5.0毫米 | 6.0毫米 | 6.0毫米 | 6.0毫米 | 4.0毫米 | 2.5毫米 | 3.0毫米 | 2.0毫米 | 3.0毫米 | 2.0毫米 | 11毫米 |
| MD 最大(最大) | 0.8毫米 | 0.8毫米 | 0.8毫米 | 0.8毫米 | 0.8毫米 | 3.2毫米 | 2.0毫米 | 2.4毫米 | 1.5毫米 | 2.4毫米 | 1.5毫米 | |
| OP | 30.5±0.8毫米 | 44±1.2毫米 | 21.8±1.2毫米 | 33.3±1.2毫米 | 33.3±1.2毫米 | 25±1毫米 | 25±1毫米 | 40±1毫米 | 40±1毫米 | 50±1.2毫米 | 50±1.2毫米 | |
| FP | 35毫米 | 32毫米 | 46毫米 | 56毫米 |





